Главная> Блог
December 07, 2025
Ваш моторный привод сдерживает вас? Попробуйте 50-процентный скачок эффективности от Zhejiang Gaidei!

В документе представлены ключевые выводы исследования, посвященного поведению и привычкам вождения. В нем подчеркивается, что молодые и неопытные водители особенно уязвимы к авариям. Результаты показывают, что молодые водители-мужчины демонстрируют более рискованный

December 07, 2025
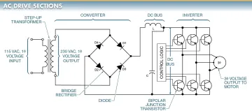
Почему 92% промышленных предприятий переходят на наш ЧРП для регулирования скорости двигателя?

Частотно-регулируемые приводы (ЧРП) являются важнейшими компонентами современных систем промышленной автоматизации и электрического управления, позволяющими точно регулировать скорость двигателя путем регулирования частоты источника питания. Работа ЧРП включает в

December 06, 2025
87 % пользователей сожалеют, что пропустили этот VFD. Что скрывает ваша система?

В сегодняшней быстро меняющейся цифровой среде многие пользователи сожалеют о выборе, который они сделали в отношении своих систем, особенно когда речь идет о преобразователях частоты (ЧРП). Статистика, согласно которой 87% пользователей выражают сожаление по поводу про

December 05, 2025
«Энергопотребление — тихий убийца» — отраслевой эксперт объясняет, почему ЧРП не подлежат обсуждению.

Была выпущена новая публикация под названием «Критическое охлаждение», в которой представлены практические исследования, посвященные центрам обработки данных, чистым помещениям и современным системам HVAC, и подчеркивается важность прецизионного охлаждения в поддержк

December 05, 2025
Хватит тратить 30 % энергии: наш привод переменного тока с регулируемой частотой позволяет быстро сократить расходы!

Прекратите тратить 30% энергии впустую благодаря нашей технологии переменной частоты привода переменного тока, разработанной для повышения эффективности и быстрого сокращения затрат. Наше инновационное решение оптимизирует потребление энергии, гарантируя, что вы не т

December 04, 2025
Что, если бы ваш ЧРП мог сэкономить 40 % электроэнергии и предотвратить поломки? Встречайте переломного момента.

Частотно-регулируемые приводы (ЧРП) совершают революцию в обрабатывающей промышленности, предоставляя мощное решение для управления скоростью и крутящим моментом двигателей переменного тока. Регулируя частоту и напряжение подаваемой электроэнергии, частотно-регулир

December 04, 2025
Почему 94% заводов переходят на наш надежный частотно-регулируемый привод? Ваш двигатель тратит энергию впустую?

Устаревшие приводы, представляющие собой приводы промышленных двигателей, которые больше не производятся и не поддерживаются их первоначальными производителями, продолжают играть жизненно важную роль на современных предприятиях. Эти приводы, в том числе частотно-рег

December 03, 2025
Отказ промышленного ЧРП? Наш контроллер стабильности сокращает время простоев на 73 % — как ваши результаты?

Столкнулись с проблемами, связанными с неисправностями промышленного частотно-регулируемого привода? Узнайте, как наш контроллер стабильности может революционизировать ваши операции, сократив время простоев на впечатляющие 73%. В отраслях, где важна каждая секунда, эфф

November 30, 2025
Почему более 10 000 предприятий доверяют пусковым шкафам Gaidei мощностью 22–75 кВт — посмотрите доказательство!

Пусковые шкафы Гайдей мощностью от 22 до 75 кВт заслужили доверие более 10 000 предприятий, продемонстрировав свою надежность и эффективность в различных промышленных условиях. Доказательство их превосходства отражено в доказанной производительности и высоком уровне удов

November 30, 2025
Двигатель мощностью 75 кВт запускается неправильно? Одно исправление ежегодно экономит 12 тысяч долларов за время простоя!

Проблема с запуском двигателя мощностью 75 кВт может привести к значительным простоям и финансовым потерям для предприятий. Однако, внедрив целенаправленное исправление, компании могут сэкономить до 12 000 долларов США в год за счет значительного сокращения времени прост

November 29, 2025
«Слишком большой всплеск?» Наш пусковой шкаф с автотрансформатором снижает нагрузку на 80 % — реальные данные!

«Слишком большой всплеск?» Пусковой шкаф автотрансформатора — это новаторское решение, предназначенное для решения проблем, связанных с перенапряжениями в электрических системах. Было показано, что благодаря использованию передовых технологий этот шкаф снижает уров

November 29, 2025
Затраты на электроэнергию выросли на 40%? Наш частотно-регулируемый привод сокращает энергопотребление на 35 % — реальные цифры, реальная экономия!

Затраты на электроэнергию выросли на 40%, создав значительное бремя как для бизнеса, так и для потребителей. Однако наша передовая технология частотно-регулируемого привода (VFD) предлагает убедительное решение, позволяющее значительно снизить энергопотребление до 35%. Это

November 29, 2025
22–75 кВт Пуск при пониженном напряжении? Хватит тратить энергию — сэкономьте 40 % мгновенно!

Сократите потребление энергии с помощью наших пускателей пониженного напряжения мощностью 22–75 кВт, разработанных для мгновенной экономии энергопотребления на 40%. Попрощайтесь с ненужной тратой энергии и начните жить в более эффективном будущем. Наши инновационные ст

November 28, 2025
Пусковой шкаф с автотрансформатором мощностью 75 кВт: почему 90% заводов переходят на него?

Пусковой шкаф с автотрансформатором мощностью 75 кВт быстро становится популярным решением для 90% заводов благодаря своей исключительной эффективности и надежности. Эта передовая технология обеспечивает более плавный запуск двигателя, что значительно снижает механич

November 28, 2025
Может ли VFD действительно сэкономить 18 тысяч долларов в год? Наши клиенты говорят «да» — посмотрите доказательство.

Может ли частотно-регулируемый привод (ЧРП) действительно сэкономить 18 000 долларов в год? По мнению наших клиентов, ответ — однозначное «да», и они подкрепляют его убедительными доказательствами. ЧРП оптимизируют производительность двигателя, регулируя скорость и крутя

November 27, 2025
Ваша промышленная автоматизация замедляется? Попробуйте наш ультракомпактный частотно-регулируемый привод — 1/3 размера, 2-кратная эффективность!

Ваша промышленная автоматизация сталкивается с задержками? Откройте для себя наш сверхкомпактный частотно-регулируемый привод (ЧРП), который в три раза меньше традиционных моделей, но при этом обеспечивает вдвое большую эффективность, помогая оптимизировать ваши опер

November 26, 2025
Почему 73% заводов отказываются от громоздких частотно-регулируемых приводов в пользу компактных?

Многие заводы переходят от громоздких частотно-регулируемых приводов (ЧРП) к более компактным альтернативам, причем переходят на них 73%. Этот сдвиг в первую очередь обусловлен необходимостью эффективного использования пространства, поскольку компактные частотно-регул

November 23, 2025
Хотите более плавный запуск двигателя? 83% промышленных предприятий переходят на автотрансформаторные шкафы — почему не вы?

Этот документ представляет собой комплексный экзамен для электриков, состоящий из 24 вопросов с несколькими вариантами ответов, предназначенный для оценки знаний в различных критических областях электромонтажных работ. Темы включают двоичное преобразование, электрич

November 22, 2025
Решение для запуска двигателя мощностью 75 кВт: избавьтесь от перегрева, простоев и дорогостоящего ремонта — прямо сейчас!

Решение для запуска двигателя мощностью 75 кВт предназначено для решения таких критических проблем, как перегрев, незапланированные простои и дорогостоящий ремонт, которые часто мешают работе двигателя. Внедряя это передовое решение, предприятия могут обеспечить оптим

November 22, 2025
Не все устройства плавного пуска одинаковы: мой снижает нагрузку на двигатель на 92%. Твой?

В мире устройств плавного пуска не все продукты одинаковы. Хотя многие могут утверждать, что они обеспечивают защиту двигателя, настоящее испытание заключается в их производительности. Мое устройство плавного пуска отличается снижением нагрузки на двигатель на впечат

November 22, 2025
Пусковой шкаф с автотрансформатором мощностью 75 кВт: Снизьте нагрузку при запуске на 70 % — посмотрите реальные данные!

Пусковой шкаф с автотрансформатором мощностью 75 кВт меняет правила игры в сфере промышленных операций и предназначен для снижения стресса, связанного с запуском оборудования. Благодаря использованию передовых технологий этот шкаф обеспечивает впечатляющее снижение

November 21, 2025
Пускатель пониженного напряжения для двигателя мощностью 22 кВт: Ваш двигатель страдает от 3-кратного пускового тока?

В сообщении блога рассматривается метод пуска двигателя пониженного напряжения и его решающая роль в электротехнической промышленности, в частности, с помощью компонентов NOARK Electric. В нем описываются проблемы, с которыми сталкиваются двигатели во время запуска, когда зн

November 21, 2025
Пусковой шкаф с автотрансформатором мощностью 75 кВт: почему 90% двигателей рано выходят из строя — может быть, ваш будет следующим?

Этот документ служит подробным руководством по выбору автоматического трансформаторного пускателя, используемого в системах запуска двигателей. Он охватывает критически важные данные двигателя, включая расчеты тока полной нагрузки, коэффициенты отвода напряжения и

November 21, 2025
Сбой при плавном запуске обходится в 8 тысяч долларов в час? Наш пускатель на 220–660 В снижает перенапряжение на 85%.

Сбои при плавном запуске могут привести к ошеломляющим затратам до 8000 долларов в час, что существенно повлияет на вашу прибыль. Для решения этой проблемы разработано наше инновационное устройство плавного пуска на 220–660 В, позволяющее снизить скачки напряжения на впеча

Контактное лицо:Mr. Chen Weiqi
Контактное лицо:

Copyright © 2025 Zhejiang Gaidei Electric Co., Ltd. Все права защищены.

We will contact you immediately

Fill in more information so that we can get in touch with you faster

Privacy statement: Your privacy is very important to Us. Our company promises not to disclose your personal information to any external company with out your explicit permission.

Отправить